work samples
recent work
Generator Diagram for Permit Submission
Generator Diagram for Permit Submission
Generator Diagram for Permit Submission
Renderings for Propane transfer Station
Renderings for Propane transfer Station
Renderings for Propane transfer Station
Screen Shots from Power Point Presentation for City Council
Screen Shots from Power Point Presentation for City Council
Screen Shot from website Designed for HVAC Mechanical Contractor mountainservicecompany.com
Plan, Elevations, and Sections of large 50,000 gallon propane tank
Pipe and flange details tank elevation
Pipe and flange detail top view
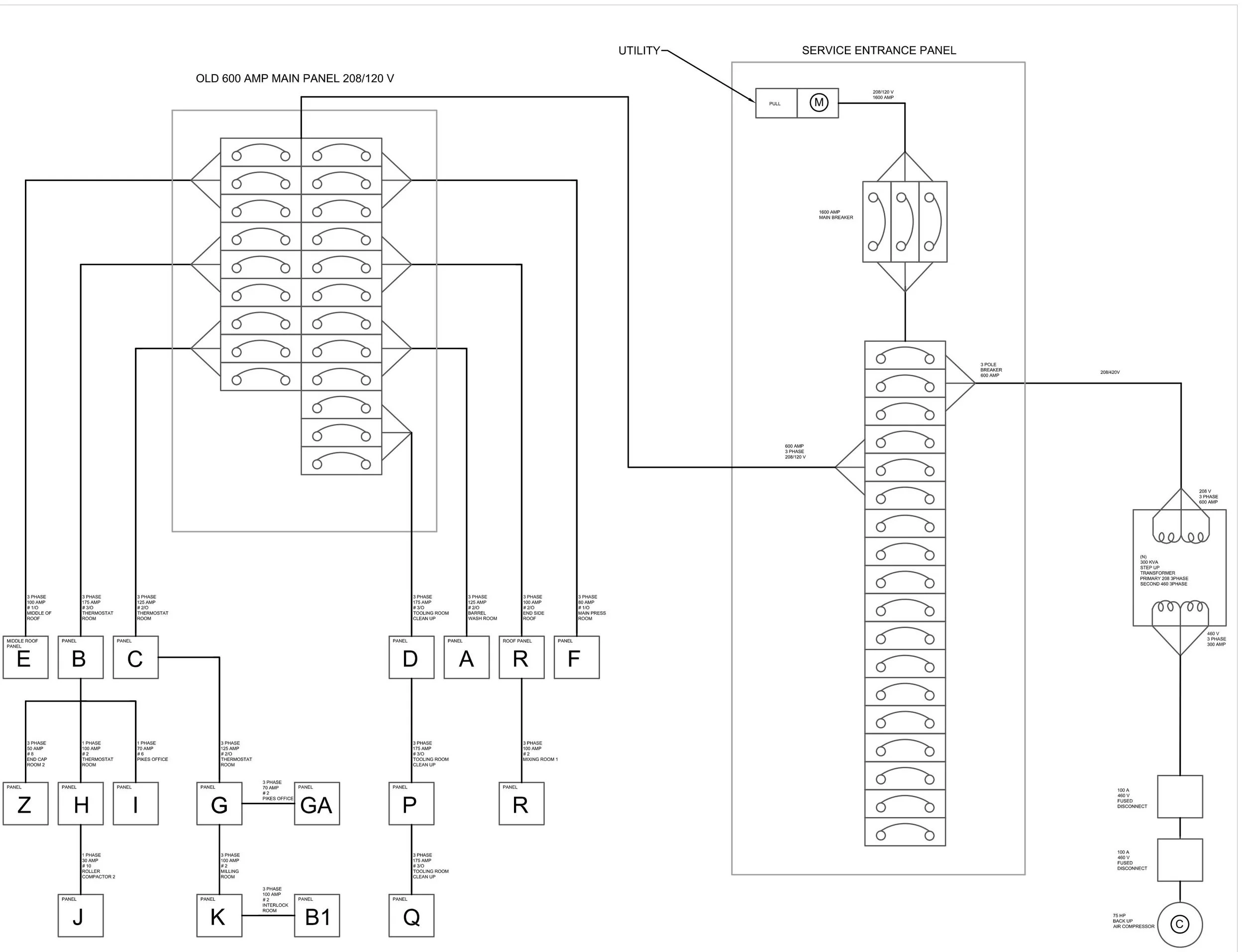
Electrical Diagram
Electrical Diagram
